トップページ
非カスタマイズ
製品センター
ソリューション
ダウンロード
ニュースセンター
鼎弘について
私たちに連絡する
検索
分類する
トップページ
/
製品センター
/
トランスミッションプラネタリレデューサー
/
概要
√製品センター
RV減速機、RV減速機、サイクロイドピン減速機、ロボット関節
小型ACギアモータ
ミニチュアACギアモータ
誘導、可逆モーター
アークコーン直角モータ
ブレーキモーター
スピードコントロールモーター
トルクモーター
アクセサリー
ブラシレスDCギヤモータ
高精度遊星減速機、遊星減速機、サーボ減速機、サーボ減速機
トランスミッションプラネタリレデューサー
ブラシレス
ブラシ
減速機
概要
ハイポイドモーター
HP減速機
HPMギアモータ
F3
電動ドラム
ローラー写真
DCブラシレス電気ローラー
AC電動ドラムモーター
ミニチュアブラシ付きDCギヤードモータ
アクセサリー
ウォームギア
平行軸
アークコーン直交軸
概要
低圧サーボモータ
電動フォークリフト、パワーステアリング、駆動輪ギアモータ
コントローラー
モーターを動かす自動ドアおよびクリーニング装置
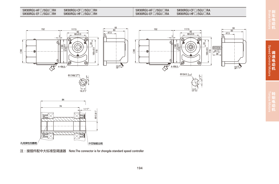
90wスピードモーター
产品详情
上一个:
120W 104フランジモーター
下一个:
60ワットレギュレーション強化