首页
产品中心
解决方案
资料下载
新闻中心
非标定制
关于鼎弘
联系我们
搜索
分类
首页
/
产品中心
/
传动型行星减速机
√产品中心
RV减速机,摆线针轮减速机,机器人关节减速器
小型交流减速电机
微型交流减速调速电机
感应、可逆电机
弧锥直角减速电机
刹车电机
调速电机
力矩电机
配件
直流无刷减速电机
高精密行星减速机
ZB/ZE系列
ZR系列
ZDE/ZDF系列
传动型行星减速机
总览
减速器
有刷
无刷
准双曲面减速电机
F3
HPM减速电机
HP减速器
电动滚筒
交流电动滚筒电机
直流无刷电动滚筒
滚筒图片
微型有刷直流减速电机
总览
弧锥直交轴
平行轴
蜗轮蜗杆
配件
伺服电机
电动叉车、助力转向及驱动轮减速电机
控制器
自动门及清洁设备减速电机
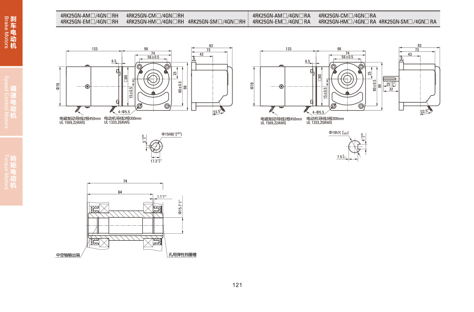
25w定速刹车微型交流减速电机
产品详情
上一个:
40w定速刹车微型交流减速电机
下一个:
15w定速刹车微型交流减速电机